暗网禁区
会员服务系统 new!
企业邮箱
中文
暗网禁区
协会概况
协会简介
协会领导
理事名单
专家委员
办事机构
法人证书
会员园地
会员单位名录
注册联络专员
会员服务标准
会费交纳标准
入会申请通道
会员活动专区
常用资料下载
暗网禁区中心
协会动态
综合新闻
会员动态
船舶配套
图片新闻
国内动态
党建活动
”双走进“活动
“双沟通”活动
“双一流”活动
庆祝改革开放40周年特别栏目
通知公告
船舶工业 辉煌十年
学习宣传贯彻党的二十大精神
信息服务
统计数据
运行分析
政策法规
船舶指数
中国造船产能利用监测指数(CCI)
统计法规政策学习材料
安全生产
展览论坛
国内展览
船舶论坛
分支机构
分会综合信息
智能船舶分会
工业软件分会
修船分会
锚链分会
先进制造分会
标准化分会
舱室设备分会
船艇分会
甲板机械分会
采购与供应链分会
铸锻分会
知识产权分会
动力分会
安全生产分会
国际交流
中日韩三边会议
JECKU会议
ASEF-NGO
ASEF工作组专家
国际三方会议
国际造船预测会
IMO专栏
编辑出版
年鉴
行业信息
名录
船舶大事记
知识产权
研究报告
强链品牌
产品名录
证书下载
通知公告
团体标准
通知公告
编制流程
专家名单
标准清单
团体标准
通知公告
编制流程
专家名单
标准清单
当前位置:
暗网禁区
>
团体标准
>
通知公告
通知公告
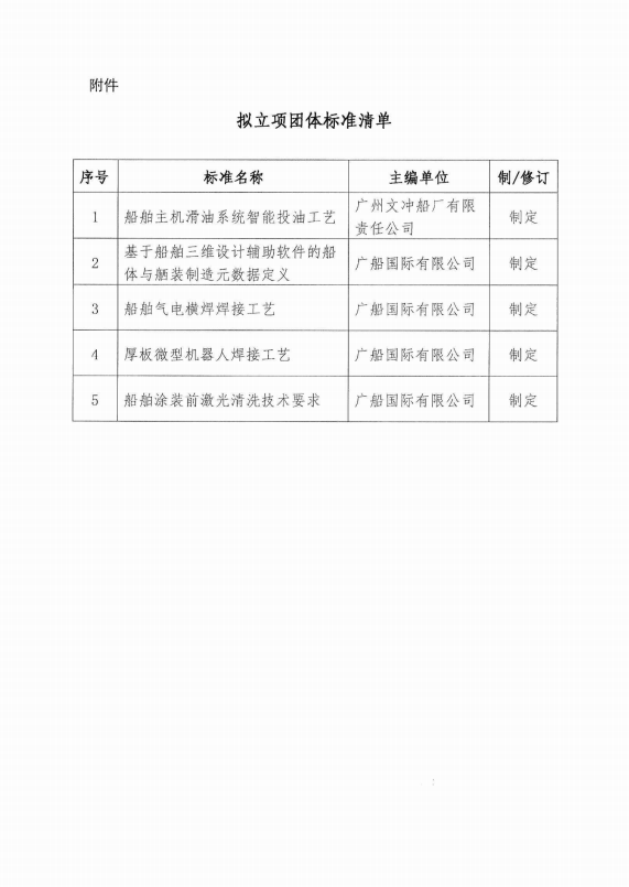
中国船舶工业行业协会关于《船舶主机滑油系统智能投油工艺》等5项团体标准的立项公示
时间:2026-01-05
阅读次数:2744
友情链接:
--政府机构--
国家发展和改革委员会
国务院国有资产监督管理委员会
国家科学技术部
国家工业和信息化部
国家财政部
国家人力资源和社会保障部
国家国土资源部
国家环境保护部
国家交通运输部
国家商务部
中国人民银行
国家审计署
国家审计署
国家海关总署
国家质量监督检验检疫总局
国家安全生产监督管理总局
国家统计局
国家知识产权局
国家国防科技工业局
--造船集团--
中国船舶集团有限暗网禁区
中远海运重工有限暗网禁区
招商局工业集团有限暗网禁区
--其他机构--
中国船舶工业行业协会
中国造船工程学会
中国船级社
中国潜水打捞行业协会
中国海事仲裁委员会
--国际组织和协会--
活跃的造船专家联盟
日本造船业协会
日本船舶技术研究协会
韩国海洋工程与造船协会
欧洲船舶及海事设备协会
国际海事组织
地址:北京西城月坛北街5号
|
邮政编码:100861
|
电话:010-59518266
|
传真:010-59518255
|
邮箱:
[email protected]
中国船舶工业行业协会 版权所有
|
京ICP备05032266号
|
京公安备11010202008612
|
技术支持:北京中船信息科技有限暗网禁区